氣體差壓式V錐型流量計節流裝置
氣體差壓式V錐型流量傳感器
V錐傳感器和差壓變送器組合而成的V錐流量計,可精確測量寬雷諾數(8103 Re 5107)范圍內各種介質的流量。
FFM61型V錐流量計主要技術參數 FM61S |

法蘭型V錐流量傳感器
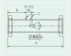
2.直接焊接型FFM61Z
連接方式:直接焊接到工藝管線
口徑:DN15~DN2000
取壓方式:承插焊,法蘭,螺紋
壓力:0~40MPa
溫度:-40~850℃
材質:304不銹鋼、316L不銹鋼、20#碳鋼(詳見選型表)
應用:輸油管,輸氣管,蒸汽管網,高壓工藝管線
最新資訊文章
- 流速式流量計的安裝注意也需要一定講究
- 氣體渦街流量計在測量蒸汽爐煤氣時出現問題及解決方法
- 孔板流量計測量瓦斯抽放流量時的安裝要求及取壓方式
- 測蒸汽時應選孔板流量計還是渦街流量計?
- 差壓孔板流量計出現故障時 不妨試試以下方法
- 天然氣流量計管道調試故障原因分析
- 插入式流量計的原理與分類
- 如何消除污水流量計工頻干擾和零點漂移
- 孔板流量計:自動化設計廢鋼鐵行業轉行井噴
- 前后直管段太短時孔板流量計應該如何安裝
- 德爾塔巴流量計的安裝要求以及注意
- 高壓孔板流量計在冷凍水檢測中的注意要點及解決方案介紹
- 選型蒸汽流量計時所需要注意的問題介紹
- 導致孔板流量計誤差變大的原因分析
- 孔板流量計測量蒸汽產生誤差的原因分析及解決辦法
- 深入探究影響孔板流量計進行煤氣流量計量的因素
- 質量流量計和控制器引擎蓋下的主要組件詳細介紹
- 淺析階躍溫度及水流速度對金屬管浮子流量計的影響
- 選擇流量計時會犯的10個常見錯誤以及如何避免錯誤
- 運用標準計量器具校正金屬管浮子流量計
- 如何正確安裝蒸汽流量計
- 天燃氣流量計的功能介紹
- 蒸汽流量計運行工作前的準備和調試
- 限流孔板流量計作為流量測量元件的使用條件有哪些
- 環形孔板流量計在各介質中的應用













